Consulte nossa engenharia para projetos especiais
      << Voltar    

MESA EXTRA BAIXA

MANUAL DE OPERAÇÃO E MANUTENÇÃO


ZELOSO ®
DESDE 1956

MESA EXTRA BAIXA® É MARCA REGISTRADA DA ZELOSO INDUSTRIA E COMÉRCIO LTDA.
CERTIFICADO DE REGISTRO DE MARCA Nº 004501195



PLATAFORMA




APLICAÇÃO:

Este manual contém informações para a operação e manutenutenção, bem como uma lista ilustrada de peças da MESA EXTRA BAIXA de fabricação exclusiva da ZELOSO®.


MODELOS:
MEML EB-E 10.8/15.5/12.5/0.85
MEML EB-U 10.8/15.5/12.5/0.85
MEML EB-X 10.8/15.5/12.5/0.85
MEML EB-E 15.8/15.5/12.5/0.85
MEML EB-U 15.8/15.5/12.5/0.85
MEML EB-X 15.8/15.5/12.5/0.85


OPÇÕES PARA ELEVAÇÃO:

ELEVAÇÃO POR BOTOEIRA
ELEVAÇÃO POR PEDALEIRA


FINALIDADE

Este manual técnico tem por finalidade fornecer informações técnicas para instalação, operação e manutenção correta da MESA EXTRA BAIXA .

PROPÓSITO

A MESA EXTRA BAIXA foi projetada para elevação de cargas em diferentes situações, tornando este trabalho mais ágil e solucionando problemas de ergonomia. Para a operaçõo da MESA EXTRA BAIXA a empresa não necessita de funcionários habilitados, permitindo que uma única pessoa opere com facilidade.

DESCRIÇÃO

A MESA EXTRA BAIXA tem os movimentos de elevação e descida acionados pelos cilindros hidráulicos que atuam em um sistema de tesouras e proporcionam o movimento. Os cilindros recebem energia hidráulica da unidade elétro hidráulica que pode ser comandada por botoeira ou pedaleira.

CILINDRO

O cilindro é construído de aço, sem emendas, sem costuras, com retentoresespeciais e haste protegido por cromo duro.

ESTRUTURA

Estrutura leve, porém robusta construída em chapas e perfilados e aço soldados elétricamente com acabamento em pintura de esmalte sintético a base de poliuretano na cor laranja segurança padrão ZELOSO®

SEGURANÇA

Quadro de segurança, ou proteção sanfonada.


INSTALAÇÃO
INSTRUÇÕES PARA TRANSPORTE.

Para transporte estão previstos 03(TRES) olhais para içamento, a serem parafusados em orifício na parte superior da plataforma para que o equipamento seja elevado por guincho com cabos de aço. (Remover os olhais antes de ligar a mesa).

INSTRUÇÕES PARA INSTALAÇÃO.

A estrutura inferior da MESA deverá ser apoiada em piso perfeitamente plano e em nível para que o contato da estrutura com o solo seja uniforme. Atubulação rígida ou mangueira MAP 6- ponta lisa reta e ponta com curva de 90º fornecida pela ZELOSO que permitem curvas com raios de 10cm,facilitando a montagem da ligação hidráulica entre o conjunto acionador e a estrutura da mesa.

Depois de definir o local da mesa e da unidade hidráulica,içar a mesa pelos olhais e retirar a porca sextavada com a esfera colocada para transporte e conectar a ponta lisa da mangueira, dando aperto necessário para evitar vazamento; no conjunto acionador, retirar a porca sextavada com a esfera e conectar a ponta lisa com a curva de 90º e dar aperto necessário para evitar vazamento.

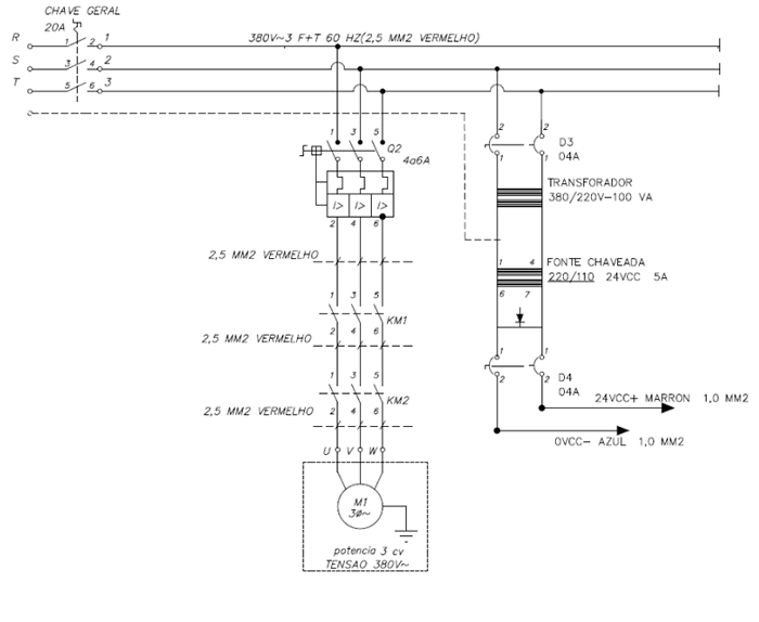
A tensão elétrica de alimentação, não deverá variar mais que 5% da nominal. A ligação elétrica é feita conectando-se a tomada múltipla ( macho do fio da mesa e fêmea do painel elétrico de comando). Observar o sentido de rotação do motor pois se girar no sentido inverso, danificará a bomba em alguns segundos (sem cobertrura de garantia).

A MESA possui um conjunto acionador eletro-hidráulico com painel elétrico separado da estrutura. O sistema hidráulico possui regulagens da velocidade de descida e válvula limitadora de pressão máxima. A pressão já sai regulada da fabrica, não devendo ser alterada.

OPERAÇÃO
ELEVAÇÃO DA MESA
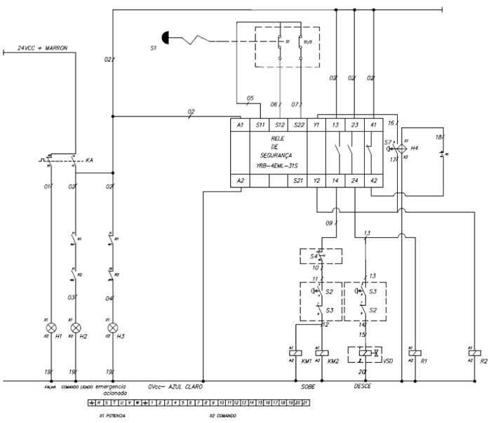
Os botões acionam os comandos enquanto premidos. Para elevação da mesa, acione o botão “SOBE” até a altura desejada ou até o seu fim de curso. Obs:Se necessário acionar botão de emêrgencia.
DESCIDA DA MESA
Para descer a mesa, acione o botão “DESCE” até a altura desejada.
OPÇÕES PARA ACIONAMENTO
O acionamento pode ser feito por botoeira ou por pedaleira.





PRÁTICAS DE MANUTENÇÃO, VERIFICAÇÃO PERIÓDICA E DIÁRIA
  • Verifique a MESA EXTRA BAIXA quanto a danos aparentes, limpeza geral e ausência de obstáculos em seu percurso.
  • Elimine todas as partículas e eventuais contaminantes, dando ênfase as regiões dos eixos das tesouras, das roldanas e cilindros.
  • Antes de completar ou repor, filtrar o óleo para atender aos requisitos de contaminação.
  • Óleo hidráulico recomendado ISO-VG-68. ( Máximo 6 litros ).
  • Nos eixos das articulações são usadas buchas com lubrificação permanente.

VERIFICAÇÃO A CADA TRÊS MESES DE OPERAÇÃO

  • Verifique o estado geral quanto ao desgaste excessivo.
  • Verifique as roldanas quanto ao desgaste excessivo.
  • Verifique e substitua, caso constate qualquer irregularidade, quanto ao desgaste excessivo, aos reparos do cilindro hidráulico.
TESTES, VERIFICAÇÃO E PESQUISA DE DEFEITOS
TESTES OPERACIONAIS

• Para verificar o perfeito funcionamento da MESA EXTRA BAIXA após ter efetuado qualquer operação de manutenção, montagem ou desmontagem, proceda os seguintes testes.

A- Pressione o botão de subida até atingir a altura máxima, verifique se não há vazamentos e se a mesa não está descendo sozinho. Em seguida pressione o botão de descida até abaixar completamente.

B- Repita esse processo com a capacidade total de carga da mesa.

PESQUISAS E CAUSAS DE DEFEITO

DEFEITO CAUSA PROVÁVEL CORREÇÃO
A MESA
NÃO SOBE
Verificar se o painel está
energizado.
Ligar o painel
Nível de óleo do sistema abaixo
do nível mínimo requerido.
Completar o nível de óleo.
Vazamento de óleo. Eliminar os vazamentos.
A MESA
NÃO DESCE
Obstáculo no curso de descida
das roldanas.
Eliminar o obstáculo.
Comando da válvula de descida
desregulado.
*Regular o comando de
válvulas de descida.
*A SER FEITO POR PESSOA AUTORIZADA.

LIMPEZA GERAL

A limpeza da MESA EXTRA BAIXA é efetuada com produtos neutros normais para limpeza. Não se deve usar de maneira nenhuma materiais e produtos abrasivos ou nocivos a pintura.

LIMPEZA DO CILINDRO HIDRÁULICO

Mantenha a haste sempre limpa, livre de qualquer tipo de partículas, principalmente de particulas metálicas.

OPERAÇÃO E SEGURANÇA

A operação da MESA EXTRABAIXA é simples e segura, podendo ser executada por uma única pessoa.

REGRAS DE SEGURANÇA NA OPERAÇÃO

  • Nunca ultrapasse o limite de carga da MESA EXTRA BAIXA;
  • Não utilize a MESA EXTRA BAIXA em pisos acidentados;
  • Nunca manuseie a carga com a mesa em movimento;
  • Certifique-se que não há nada que impeça o curso da mesa;
  • Respeite as normas de segurança de sua empresa.

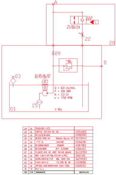
LAYOUT DO CONJUNTO HIDRÁULICO
CONJUNTO HIDRÁULICO TORQUE
  • Velocidade ascensional estimada ~ 3.0 m/min
  • Nivel de ruídos 85 dB


DIAGRAMA HIDRÁULICO ( TORQUE ).




CONJUNTO HIDRÁULICO Bosch-Rexroth
  • Velocidade ascensional estimada ~ 2.0 m/min
  • Nivel de ruídos 85 dB


DIAGRAMA HIDRÁULICO ( Bosch-Rexroth ).

DIAGRAMAS ELÉTRICOS
POTÊNCIA
COMANDO

MONTAGEM DA MESA

LISTA DE COMPONENTES DA MESA EXTRA BAIXA
SEQ
COMPONENTES
CÓDIGO
01 Estrutura inferior ME000103000000
02 Eixo da tesoura interna ME000113000000
03 Parafuso Allen 120026
04 Parafuso Allen 120026
05 Eixo da tesoura ME000110010000
06 Eixo do cilindro ME000111000000
07 Parafuso Allen 120026
08* Cilindro ME000104000000
09 Parafuso Allen 120086
10* Trava da roldana ME014015000000
11* Bucha 530029
12* Roldana do cilindro ME000114000000
13* Eixo do Pistão ME014012000000
14 Parafuso Allen 120026
15 Eixo da tesoura ME000110000000
16 Bucha 530008
17 Conj. Tesoura ME000105000000
18* Bucha 530027
19 Parafuso Allen 120026
20 Eixo central ME000105050000
21* Bucha 530008
22 Espaçador ME000109030000
23* Roldana de Nylon RO005101000000
24 Eixo da roldana infeior ME000108000000
25 Parafuso Allen 120026
26 Eixo da roldana superior ME000109000000
27 Parafuso Allen 120086
28 Quadro de proteção ME000116000000
29 Rebite 170010
30 Estrutura inferior ME000106000000
31 Contra pino 100003
* Peças para reposição.


MONTAGEM DO CILINDRO


LISTA DE COMPONENTES DO CILINDRO
SEQ
COMPONENTES
CÓDIGO
01 Cilindro ME000104010000
02 Porca 160024
03 Arruela de Pressão 030028
04 Êmbolo ME000104040000
05* Molythane 020294
06* Anel O'ring 020050
07 Pistão ME000104020000
08 Porca de vedação ME000104030000
09* Borracha Limpadora 040109
10 Porca sextavada ME000104050000
11 Olhal do pistão ME000104060000
12 Bucha 530034
13 Bucha 530020
* Peçaas para manutenção, pedir o Kit= KT0267



LISTA DE COMPONENTES (GIRATÓRIO)
SEQ
COMPONENTES
CÓDIGO
01 Estrutura superior ME016806000000
02 Estrutura móvel ME016818000000
03 Estrutura giratória ME016919000000
04 Rolamento 090130
05* Anel elástico 010021
06* Arruela lisa 030011
07 Rolamento 090029
08 Roldana 270013
09* Eixo 360031





Todos os direitos reservados.



 

Zeloso Indústria e Comércio Ltda
Rod. Régis Bittencourt, 2930 - KM. 296,5
Bairro: Potuverá
06882-700 - Itapecerica da Serra - SP - Brasil
Fone: 55 11 3694-6000
Whatsapp: 11 99116-0493

Os logotipos e marcas apresentados neste site
são marcas registradas.
2026 - Todos os direitos reservados.