Elevador de manutenção telescópico vertical
MANUAL DE OPERAÇÃO E MANUTENÇÃO
Este manual contém informações para a operação e manutenção, bem
como uma lista ilustrada de peças do ELEVADOR DE MANUTENÇÃO
de fabricação exclusiva da ZELOSO.
MODELO :
EMTV 208
EMTV 210
EMTV 212
E ALGUNS SOB ENCOMENDA
OPÇÕES PARA RODAS:
RF = RODAS DE FERRO
RN= RODAS DE NYLON
RU= RODAS DE FERRO REVESTIDAS DE POLIURETANO
RPN= RODAS PNEUMÁTICAS (ESPECIAL)
Este manual tem por finalidade fornecer informações técnicas
para operação e manutenção correta do ELEVADOR DE MANUTENÇÃO.
O ELEVADOR DE MANUTENÇÃO foi projetado para elevar o operador e
equipamentos em diversas situações.
O ELEVADOR DE MANUTENÇÃO é um equipamento normalizado pela
norma NR 18, dotado de uma torre telescópica que eleva a gaiola até a altura
desejada para que se possa realizar o devido trabalho, este conjunto é montado
em uma base móvel, o que proporciona o deslocamento de um local para outro
sem nenhuma dificuldade. A elevação é feita por um conjunto
elétro-hidráulico constituido de moto bomba, reservatório, conjunto de válvulas
e cilindro hidráulico.
O conjunto acionador é responsável pelo envio do óleo hidráulico ao cilindro de
elevação proporcionando o movimento da “gaiola”.
Estrutura leve, porém resistente construída em tubos, chapas e perfilados de aço
soldados elétricamente com acabamento em pintura de esmalte sintético a
base de poliuretano na cor laranja segurança padrão ZELOSO ®.
Duas rodas em eixo giratório e duas fixas unidirecionais. Todas com rolamentos de
esfera blindados e lubrificados.
PRINCIPIO DE FUNCIONAMENTO
O EMTV tem os movimentos de elevação e descida da “gaiola” vinculados
ao avanço e retorno do cilindro hidráulico. O comando deste movimento é
feito ao ser pressionado um dos botões da botoeira de comando.
A gaiola possui um inter-travamento na porta que impede a elevação sem que
a mesma esteja devidamente fechada.
SINALIZAÇÃO
Possui uma sinaleira que é acionada quando a gaiola está elevando ou abaixando,
a sinaleira está fixada no painel de comando que encontra-se fixado na base do
equipamento.
A botoeira de comando na plataforma e no painel elétrico possui 3 (três)botões.
O botão verde ao ser pressionado; liga o motor e eleva a plataforma enquanto
estiver sendo pressionado, ao soltar-se o botão, a plataforma para na altura que
estiver.
O botão vermelho, quando pressionado, comanda a válvula solenóide de
descida da plataforma e esta desce por gravidade.
O terceiro botão, de emergência, ao ser acionado, desliga o comando até ser
destravado.
Existe no conjunto acionador um registro que quando aberto permite a descida
da plataforma no caso de falta de energia elétrica.
Existe um fim de curso elétrico limitando a altura máxima da plataforma.
PRÁTICAS DE MANUTENÇÃO
VERIFICAÇÃO PERIÓDICA
VERIFICAÇÃO DIÁRIA
• Verifique o ELEVADOR quanto a danos aparentes, limpeza geral e
ausência de obstáculos em seu percurso.
• Elimine todas as partículas e eventuais contaminantes, dando ênfase as
regiões dos eixos das rodas, dos rodizios e cilindros.
• Verifique se há vazamento de óleo.
• Óleo hidráulico recomendado ISO-VG 68. (± 20L )
VERIFICAÇÃO A CADA TRÊS MESES DE OPERAÇÃO
• Verifique o estado geral quanto ao desgaste excessivo.
• Verifique as rodas quanto ao desgaste excessivo.
• Engraxe as articulações com graxa multiuso de boa marca.
TESTES, VERIFICAÇÃO E PESQUISA DE DEFEITOS
• Sempre que desejar verificar o perfeito funcionamento do ELEVADOR
DE MANUTENÇÃO e após ter efetuado qualquer operação de manutenção
ou montagem ou desmontagem, proceda ao seguinte teste.
Eleve a plataforma sem carga até a altura máxima e deixe-a elevada, em seguida
verifique por alguns instantes se a gaiola esta descendo, caso esteja,verifique se
há algum vazamento aparente no cilindro e nas conexões entre o conjunto
acionador e o cilindro.
PESQUISAS E CAUSAS DE DEFEITO
LIMPEZA GERAL
A limpeza do ELEVADOR DE MANUTENÇÃO é efetuada com produtos
neutros normais para limpeza. Não se deve usar de maneira nenhuma materiais
e produtos abrasivos ou nocivos à pintura.
DESLOCAMENTO
O deslocamento do elevador é manual e seguro podendo ser executado pelo
próprio operador com a torre abaixada.
REGRAS DE SEGURANÇA NA OPERAÇÃO
• Esticar as pernas extensíveis e apertar os parafusos das sapatas nivelando
o equipamento.
• Deve ser evitado o acionamento intermitente e compassado na subida ou
na descida da plataforma bem como movimentos oscilatórios do operador
sobre a plataforma.
• Quanto maior a altura a ser atingida, maiores deverão ser os cuidados com
a fixação e posicionamento do equipamento.
• Observar atentamente durante a subida da plataforma se não há risco de
contato físico com qualquer obstáculo existente.
• Ao pressionar o botão desce, ter certeza que a plataforma desce, se não
descer, não insista pois ela pode estar presa em algum obstáculo.
• Não utilizar o equipamento em locais com ventania.
• Para maior segurança o operador deve estar acompanhado de outra pessoa
no solo observando a operação.
MANUTENÇÃO
Os equipamentos saem da fábrica devidamente engraxados e lubrificados
com óleo necessário. Os períodos de troca de óleo hidráulico serão ditados
pela frequência e condições de utilização do equipamento.
Existem engraxadeiras nos eixos das roldanas que deverão receber graxa
do tipo Multi uso de boa marca.
Verifique visualmente, antes de cada utilização, os terminais da corrente.
EXPLOSÃO
LISTA DE COMPONENTES
| SEQ |
COMPONENTES |
CÓDIGO |
| 1 |
Eixo da Roldana da Corrente |
EM021210000000 |
| 2 |
Roldana das Correntes |
EM021209000000 |
| 3 |
Rolamento |
090030 |
| 4 |
Parafuso Allen |
120012 |
| 5 |
Roldana de Nylon |
107001 |
| 6 |
Pino Elástico |
200045 |
| 7 |
Eixo da Roldana |
EM021212000000 |
| 8 |
Graxeira Reta |
200331 |
| 9 |
Rolamento |
090030 |
| 10 |
Roda |
180119 |
| 11 |
Anel Elástico |
010024 |
| 12 |
Corrente |
220001 |
| 13 |
Anel Elástico |
010003 |
| 14 |
Esticador |
EM021214000000 |
| 15 |
Porca |
160024 |
| 16 |
Eixo Para Corrente |
EM021214010000 |
CONJUNTO HIDRÁULICO Bosch-Rexroth
Velocidade ascensional estimada ~5.0 m/min
Nível de ruídos 85 dB
CONJUNTO HIDRÁULICO Bosch-Rexroth
LISTA DE COMPONENTES DO CILINDRO
| SEQ |
COMPONENTES |
CÓDIGO |
| 1 |
Cilindro |
EM021208010000 |
| 2 |
Cilindro |
160026 |
| 3 |
Arruela de pressão |
030029 |
| 4* |
Molythane |
020312 |
| 5 |
Êmbolo |
EM021208030000 |
| 6* |
Anel O’ring |
020054 |
| 7 |
Pistão |
EM021208020000 |
| 8* |
Anel O’ring |
020074 |
| 9* |
Anel O’ring |
020130 |
| 10 |
Porca de vedação |
EM021208040000 |
| 11* |
Borracha limpadora |
040097 |
* Peças para manutenção, pedir o Kit= Kt0283
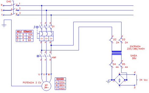
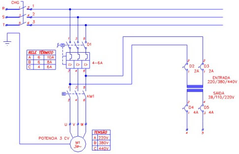
DIAGRAMA COM TRANSFORMADOR PARA COMANDO
POTÊNCIA
COMANDO
COMANDO ELÉTRICO 24 Vcc
POTÊNCIA

COMANDO
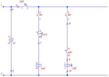
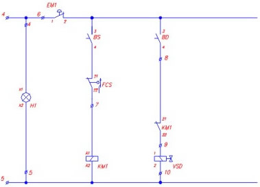
DIAGRAMA SEM TRANSFORMADOR PARA COMANDO
POTÊNCIA

COMANDO

|